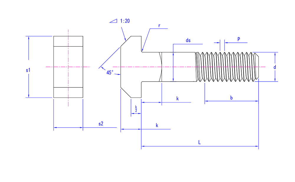
Baut T-Head Stainless Steel DIN186 Dengan Baut Leher Persegi
| Fitur Kepala | Leher persegi anti-rotasi kepala tipe T |
| Fitur Batang | Anti-rotasi ganda |
| Tujuan Inti | Mencegah rotasi, meningkatkan stabilitas |
| Keunggulan dan Fitur | Desain leher persegi mencegah rotasi baut, cocok untuk pemasangan tugas berat |
| Kegunaan Khas | Cegah rotasi, sambungan beban tinggi, seperti peralatan besar, alat berat. |
| Indikator Kunci untuk Seleksi | Bentuk kepala T, ukuran leher persegi, panjang baut, diameter, panjang ulir, bahan. |
| Persyaratan Khusus Industri | Mesin berat: cocok untuk peralatan dengan beban tinggi dan kebutuhan untuk mencegah perputaran baut. Industri otomotif: digunakan untuk sambungan berkekuatan tinggi yang mencegah perputaran baut. |

















